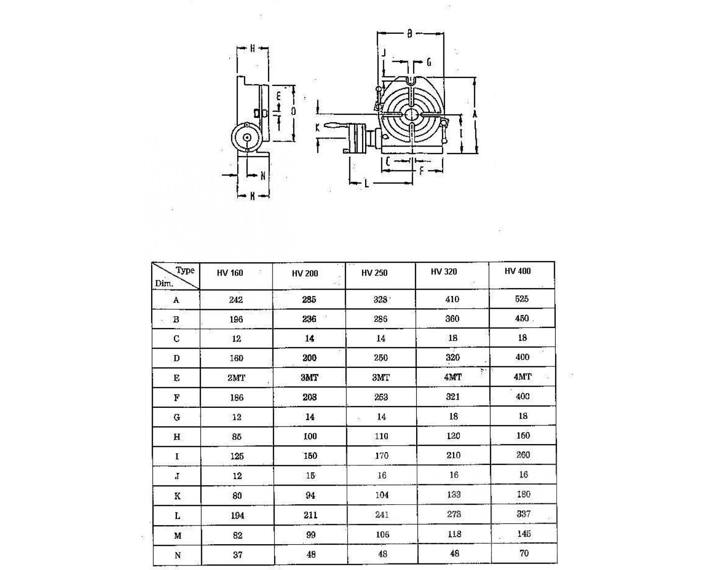
Vertikal+Horizontal Rundteiltisch - HV 160
Abbildung ähnlich

Vertikal+Horizontal Rundteiltisch

HV 160

- Geschlossene Ausführung - sehr präzise Klemmeinrichtung,der Aufspanntisch wird ohne Maßabweichung genau senkrecht gegen die Führungsbahn geklemmt - schnelles Positionieren per Hand durch Umlegen des Handhebels - mit 360° Skala - Die Schnecke kann spielfrei eingestellt werden - Skalenteilung des Handrades 10" - Das Handrad kann gegen eine Indexiereinrichtung getauscht werden - mit Aufspann-T-Nuten (14 mm) - äußerst niedrige Bauform - Führungsnut in der vertikalen Grundfläche


Technische Daten

Spitzenhöhe 125 mm
Teilung 360°/1°
Tischfläche 160 mm
Konus der Bohrung MK 2
Rundlaufgenauigkeit 0,015
Parallelität der Aufspannfläche zur Grundfläche 0,02
Genauigkeit der Teilung 10"
Übersetzungsverhältnis 1:90
Gewicht 18.50 kg
Abmessungen 242x278x85 mm

Dokumente

Ausstattung

Lieferumfang (Im Preis enthalten)

HV 160
ab 398,00 €

Preis exkl. MwSt. zzgl. Versand

Verfügbarkeit: Auf Anfrage

Versandkosten berechnen

Bestellablauf | Zahlungsweisen | Versandkosten | Lieferzeiten